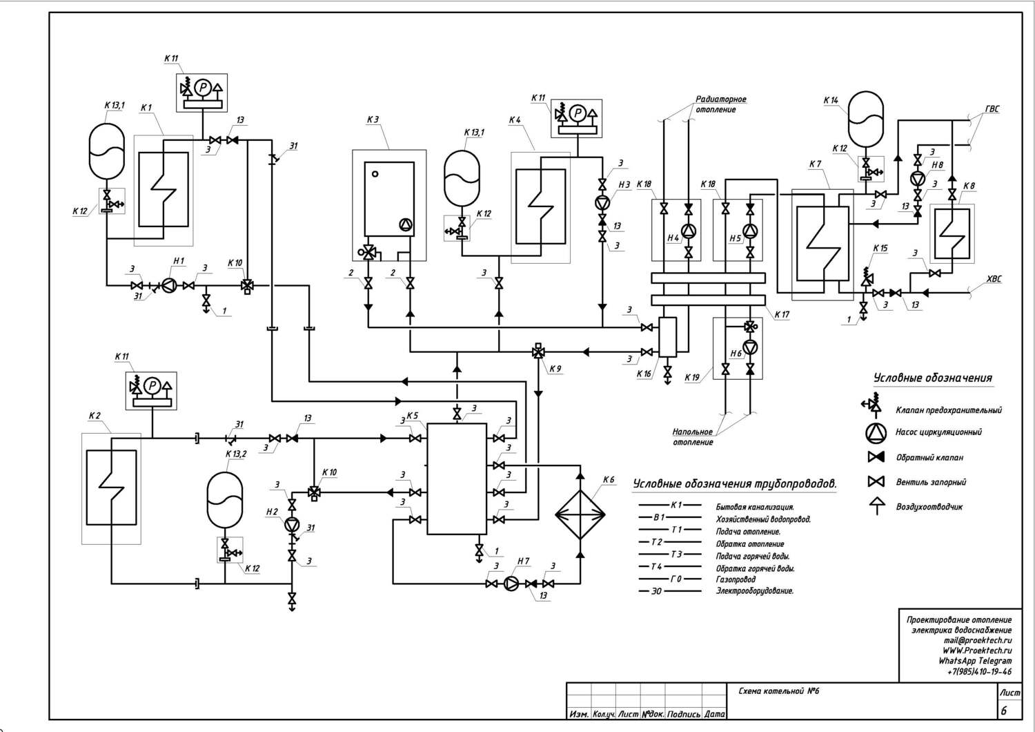
Тепловая схема котельной представляет собой детализированное графическое отображение взаимосвязей между элементами оборудования, контурами отопления и арматурой. Она служит основой для проектирования, монтажа, наладки и обслуживания котельной установки. Каждый элемент на схеме получает уникальное позиционное обозначение, которое соответствует спецификации оборудования и планам его расположения в проекте котельной. Это необходимо для однозначной идентификации компонентов при монтаже, обслуживании и ремонте, а также для составления смет и заказов на оборудование. Правильно разработанная тепловая схема является залогом надежной и эффективной работы системы теплоснабжения.
Проект котельной частного дома
Проект котельной 50 кВт.

При проектировании котельной особое внимание уделяется обеспечению надежности и безопасности системы. Газовый котел выбирается с учетом теплопотерь и запасом мощности для горячего водоснабжения. Электрический котел служит резервным источником тепла на случай перебоев с газоснабжением или для поддержания минимальной температуры в периоды длительного отсутствия. Применение в проекте обвязки из нержавеющей стали обеспечивает долговечность и устойчивость к коррозии.
Проект котельной 80 кВт

Последовательность подключения оборудования должна обеспечивать приоритетное использование газового котла, с автоматическим переключением на электрический в случае аварии или недостаточной мощности. Для каждого контура отопления в проекте предусматривается отдельные циркуляционные насосы, подобранные по мощности и производительности в соответствии с гидравлическим расчетом системы. Управление насосами осуществляется автоматикой, которая регулирует температуру теплоносителя в зависимости от температуры наружного воздуха и заданных параметров в помещениях.
Проект котельной 24 кВт

Система водоподготовки проекта котельной подбирается индивидуально, исходя из анализа воды из скважины, и должна обеспечивать защиту котлов и оборудования от накипи и коррозии. Автоматизация котельной позволяет оптимизировать работу системы, поддерживать заданную температуру в каждом контуре, и оперативно реагировать на аварийные ситуации. Гидроаккумулятор подбирается с учетом производительности скважинного насоса и потребления воды, обеспечивая стабильное давление в системе водоснабжения.
Проект котельной 32 кВт

Распределение тепла по контурам отопления осуществляется коллектором с гидрострелкой, обеспечивающим стабильную работу каждого контура независимо от других. Радиаторное отопление настраивается для комфортной температуры в жилых помещениях, а теплый пол – для создания приятного микроклимата в ванных комнатах и кухне. Контуры отопления гаража и бани рассчитываются в проекте с учетом их особенностей и потребностей в тепле.
Комплект чертежей проекта котельной частного дома
Обвязка котельной

Трехмерная модель позволяет визуализировать котельную в мельчайших деталях, выявляя потенциальные коллизии еще на этапе проектирования. Это значительно сокращает время и затраты на монтажные работы, исключая необходимость переделок и оптимизируя размещение оборудования для удобства обслуживания. Четыре изометрических вида, охватывающие все ключевые зоны котельной, предоставляют монтажникам четкое представление о пространственном расположении элементов и порядке их установки. Это существенно упрощает выполнение работ, повышает их качество и сокращает сроки реализации проекта. Визуализация позволяет также контролировать соответствие выполненных работ проектной документации.
Планировка котельной

Для разработки оптимального плана размещения оборудования в проекте котельной необходимо учитывать ряд ключевых факторов, обеспечивающих эффективность, безопасность и удобство обслуживания. Габаритные размеры оборудования, включая котлы, насосы, теплообменники, расширительные баки и другое вспомогательное оборудование, должны быть точно отображены на плане. Высотные отметки не менее важны, поскольку они определяют вертикальное расположение оборудования и обеспечивают достаточное пространство для подключения коммуникаций, проведения ремонтных работ.
Рабочие чертежи

Проектирование котельной с мульти-источниками тепла требует комплексного подхода, учитывающего экономическую целесообразность, экологические нормы и индивидуальные потребности объекта. Выбор оптимального сочетания газовых, электрических, твердотопливных котлов, а также альтернативных источников, таких как тепловые насосы и солнечные коллекторы, позволяет создать гибкую и эффективную систему отопления. Тепловые аккумуляторы играют важную роль в сглаживании пиков потребления и оптимизации использования возобновляемых источников.
Автоматизация и электроснабжение

Автоматизация работы котла и системы отопления необходима для поддержания комфортного микроклимата в помещении и оптимизации энергопотребления. Удаленный контроль отопительной установки позволяет оперативно реагировать на изменения условий и контролировать работу системы из любой точки мира.
Спецификация оборудования

Спецификация котельной. Наименование и технические характеристики оборудования. Позиционное обозначение элементов согласно схеме и чертежам проекта. Коды оборудования, артикулы для закупки оборудования и поиска в интернет.
Примеры котельной частного дома
Проект котельной 98 кВт с двумя напольными газовыми котлами. Радиаторное отопление, теплые полы, система снеготаяния.
Отдельно стоящая котельная 32 кВт. Отопление основного дома, гараж, беседка. 4 контура, резервный электрокотел.
Проект котельной 144 кВт с двумя напольными газовыми котлами. Радиаторы, теплые полы, система снеготаяния. Гостевой дом, гараж.
Котельная 28 кВт. Система водоподготовки и повысительная насосная станция. Коллекторы системы отопления и теплого пола.
Проект котельной 24 кВт. Настенный газовый одноконтурный котел и электрический резервный котел. Радиаторное отопление и теплый пол.
Проект котельной с напольным газовым котлом 80 кВт. Радиаторное отопление, теплый пол, система снеготаяния. Бойлер косвенного нагрева 300 литров.
Заказать проектирование
- +7 985 410-19-46
- proekt1946@yandex.ru
- Прием заявок и консультации в Telegram
