Проект теплого пола
Проект теплого пола 135 м. кв.

Проект теплого пола должен содержать информацию о расположении трубопроводов, распределительного коллектора, термодатчиков и другого оборудования. Необходимо предусмотреть возможность компенсации теплового расширения напольного покрытия, а также предусмотреть воздушные клапаны для удаления воздуха из системы. Тщательно разработанная и реализованная система теплого пола обеспечит комфортный микроклимат в помещении и энергоэффективную работу системы отопления.
Проект теплого пола 64 м. кв.

Оптимальное распределение теплоносителя достигается при помощи зонального регулирования, позволяющего учитывать различные теплопотери помещений и поддерживать комфортную температуру в каждой зоне. Важным аспектом проекта является выбор схемы укладки – спираль, змейка или их комбинация – в зависимости от геометрии помещения и требуемой равномерности прогрева. Спиральная укладка обеспечивает более равномерное распределение тепла, в то время как змейка может быть предпочтительна в помещениях с выраженными зонами теплопотерь.
Проект теплого пола 67 м. кв.

Каждый контур должен иметь примерно одинаковую длину для обеспечения равномерного распределения тепла. Гидравлический расчет выполняется с использованием специализированного программного обеспечения, которое позволяет определить необходимый напор и расход теплоносителя, а также подобрать оптимальные параметры циркуляционного насоса и регулирующей арматуры. При этом учитываются потери давления в трубопроводах, фитингах и коллекторах.
Проект теплого пола 1200 м. кв.

Монтажная схема должна содержать точное расположение каждого контура, включая места прокладки трубопроводов к коллектору, точки подключения датчиков температуры и термостатических головок. В проекте необходимо учитывать расположения мебели, сантехнических приборов и других стационарных объектов, чтобы избежать зон перегрева или недостаточного отопления
Проект теплого пола 85 м. кв.

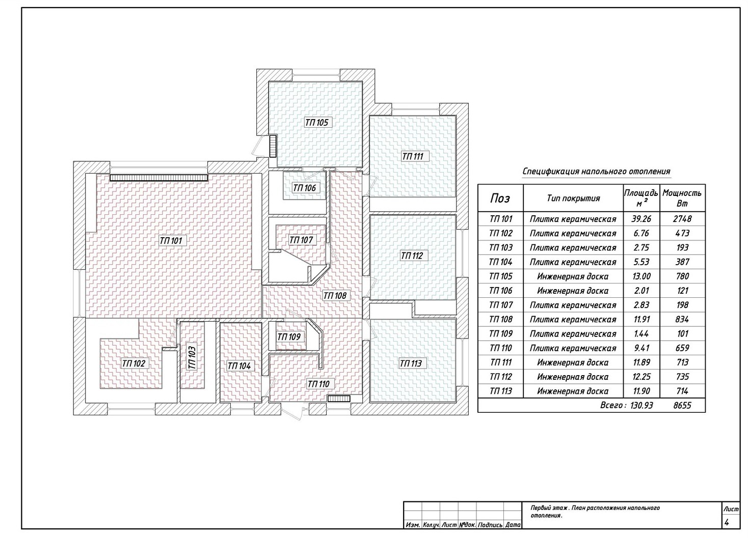
При проектировании системы теплого пола необходимо учитывать особенности напольного покрытия. Различные материалы обладают разной теплопроводностью, что влияет на эффективность теплоотдачи. Например, керамическая плитка имеет высокую теплопроводность и хорошо подходит для теплого пола, в то время как дерево или ламинат обладают меньшей теплопроводностью и требуют более тщательного расчета мощности системы. Важно учитывать рекомендации производителей напольных покрытий по максимальной температуре нагрева, чтобы избежать деформации или повреждения материала.
Проект теплого пола 91 м. кв.

Эффективная система напольного отопления – это результат грамотного проектирования, точного гидравлического расчета, качественного монтажа и правильной эксплуатации. Только при соблюдении всех этих условий можно создать комфортный и энергоэффективный микроклимат в помещении.
Комплект чертежей проекта теплого пола
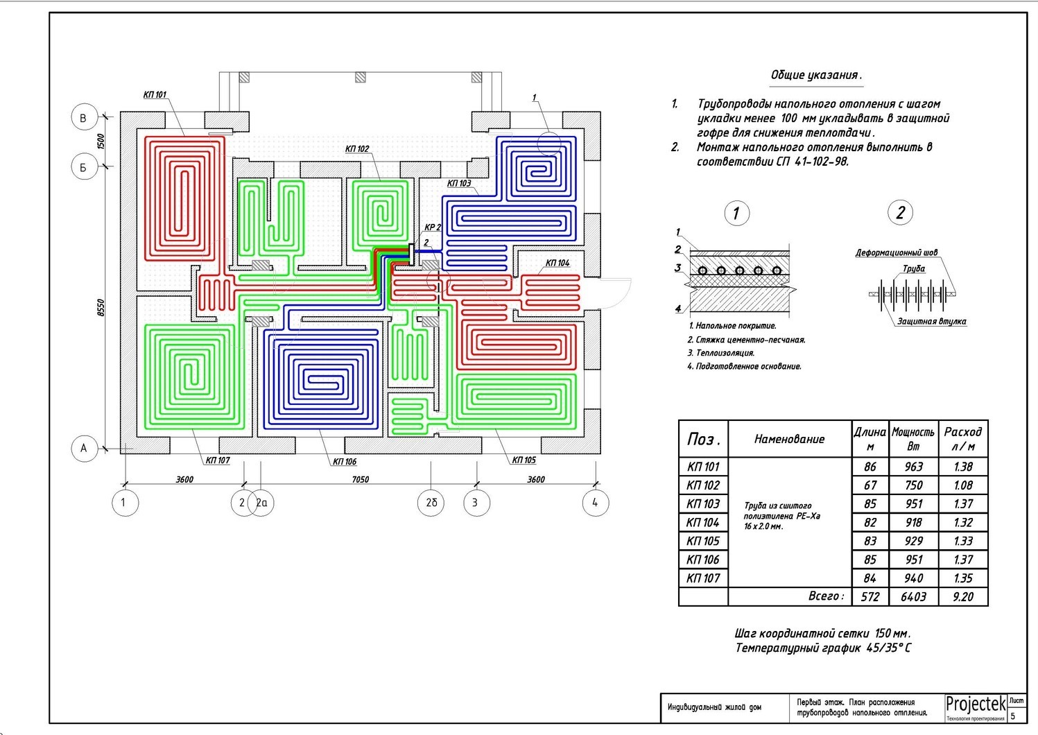
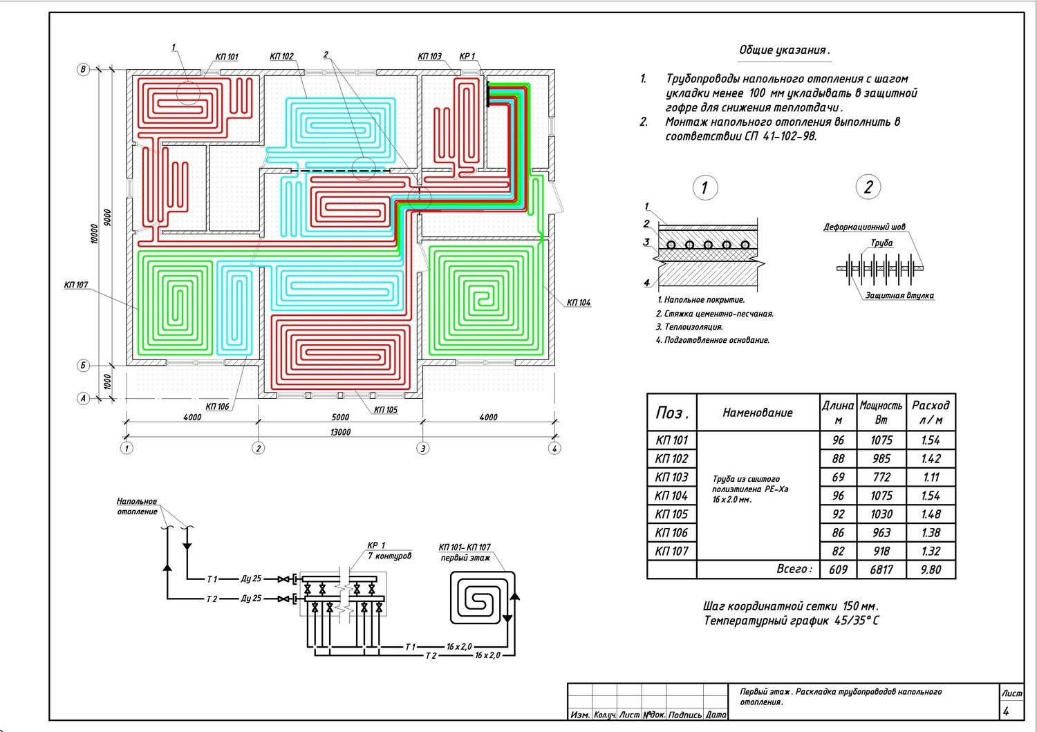
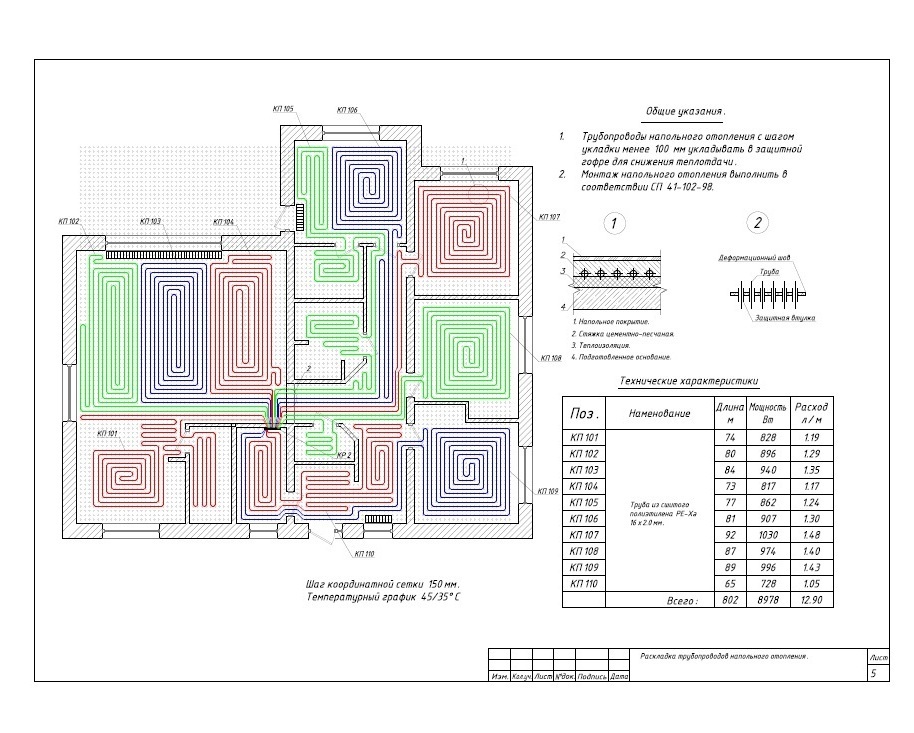
План расположения теплого пола

При составлении плана всегда учитывайте тип напольного покрытия, так как разные материалы имеют разную теплопроводность. Например, под плитку оптимален меньший шаг укладки, чем под ламинат или ковролин. Необходимо избегать укладки теплого пола под крупногабаритной мебелью без ножек, так как это может привести к перегреву системы и повреждению напольного покрытия.
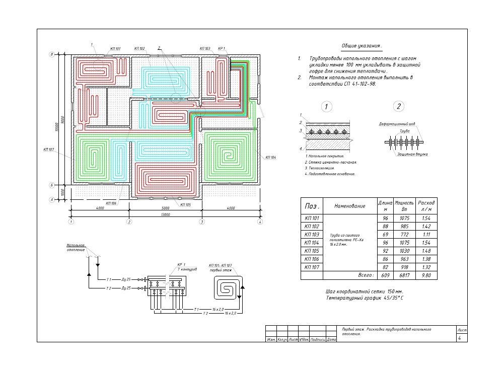
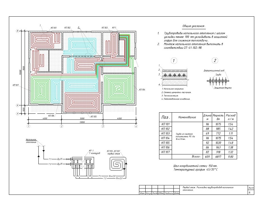
Схема раскладки труб теплого пола

Правильная схема раскладки труб теплого пола – это основа эффективной и комфортной системы отопления. Опыт показывает, что наиболее распространены две основные схемы: "змейка" и "улитка". "Змейка" проста в реализации, но приводит к неравномерному распределению тепла, так как теплоноситель постепенно остывает по мере продвижения по трубе. "Улитка" является более предпочтительным вариантом, обеспечивая более равномерный прогрев поверхности за счет параллельного расположения труб с подачей и обраткой.
Тепловая схема теплого пола

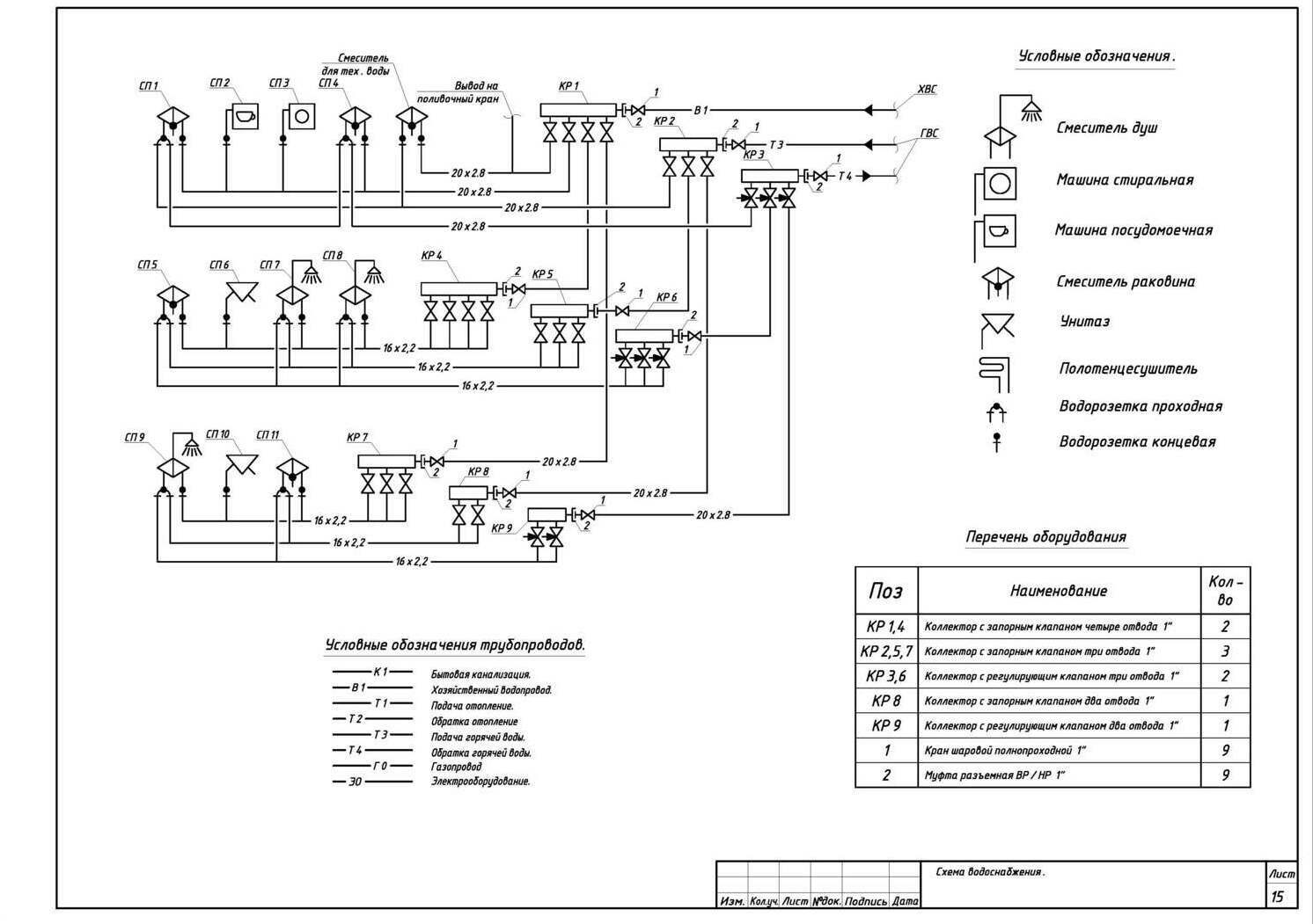
Важным элементом тепловой схемы является распределительный коллектор, который обеспечивает равномерное распределение теплоносителя по контурам теплого пола. Он также позволяет регулировать расход теплоносителя в каждом контуре, что необходимо для компенсации различной тепловой нагрузки в разных зонах помещения. Кроме того, коллектор обычно оснащается воздухоотводчиком и сливным краном для обслуживания системы.
Спецификация оборудования

Не стоит забывать про выбор качественных комплектующих. Использование сертифицированных материалов от проверенных производителей гарантирует надежность и продолжительный срок службы системы теплого пола. В конечном итоге, грамотная спецификация – это залог вашего комфорта и экономии на отоплении в будущем.
Скачать пример проекта теплого пола
Заказать проектирование
- +7 985 410-19-46
- proekt1946@yandex.ru
- Прием заявок и консультации в Telegram






