Проект водоснабжения и канализации
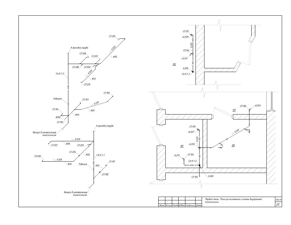
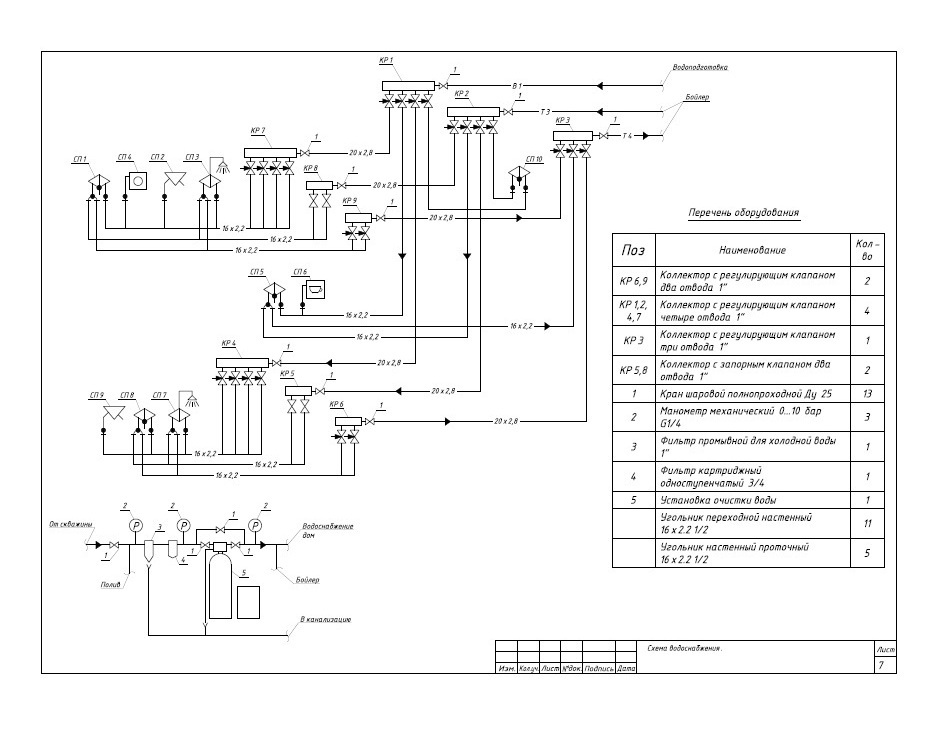
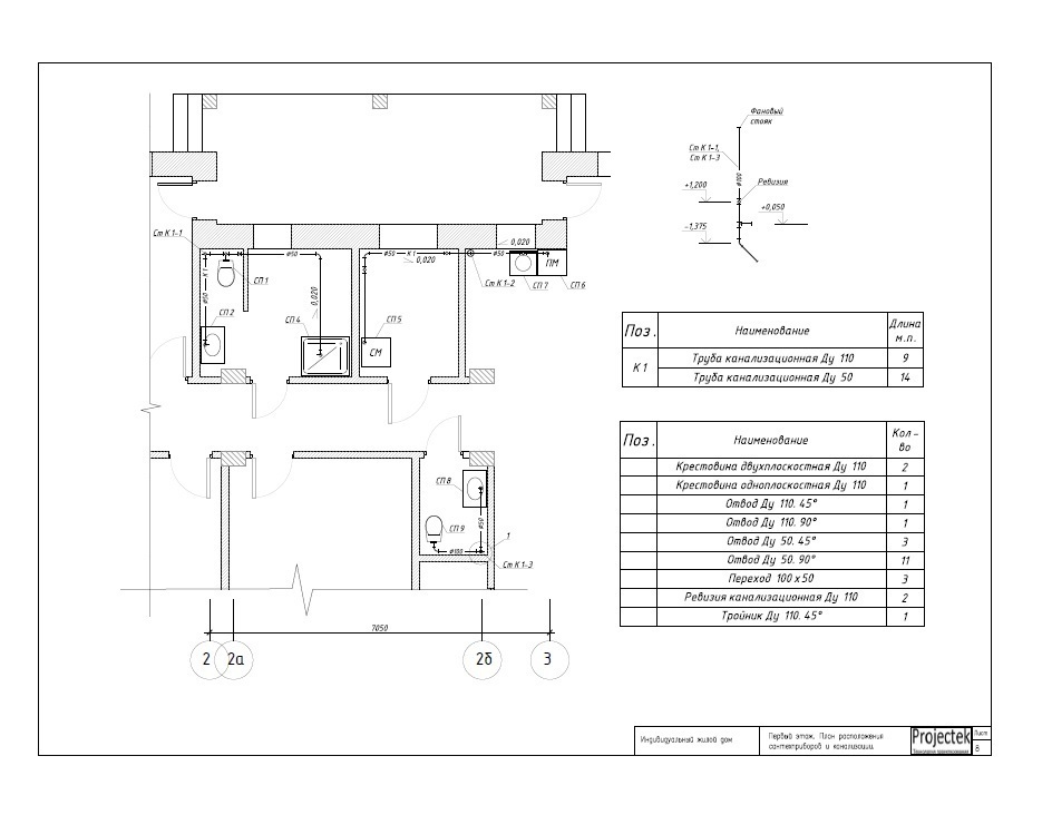
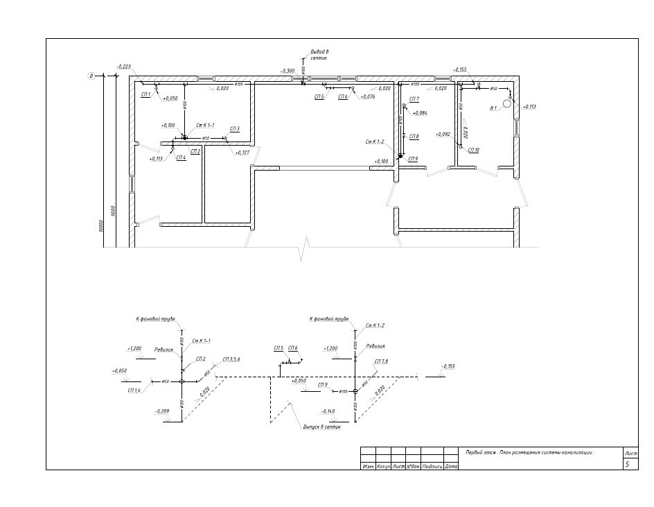
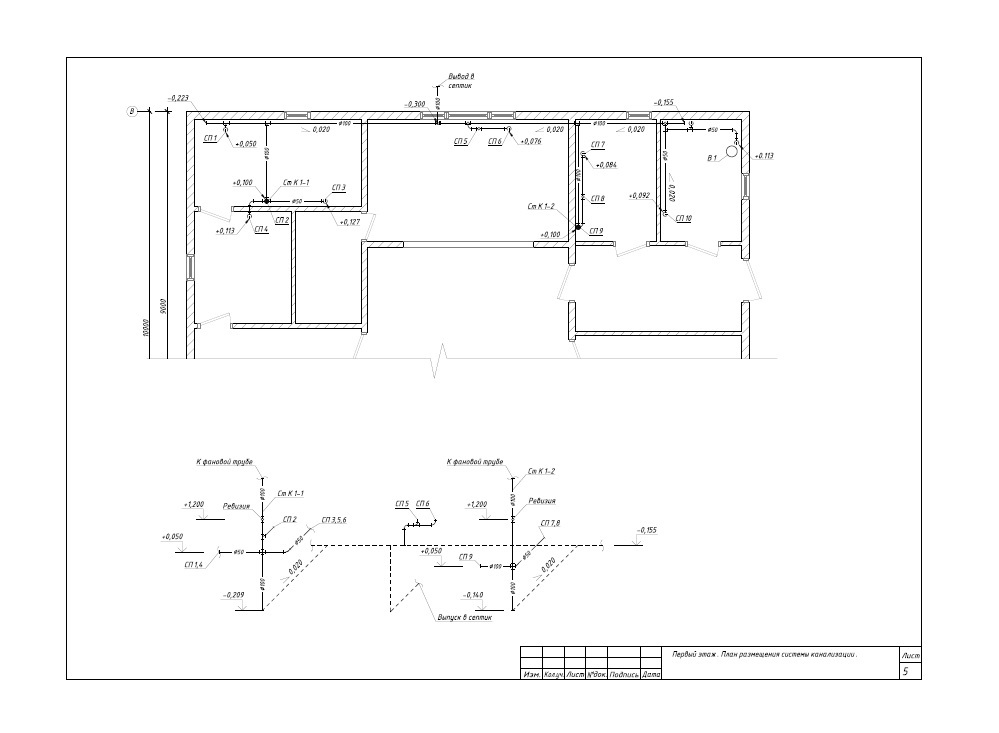
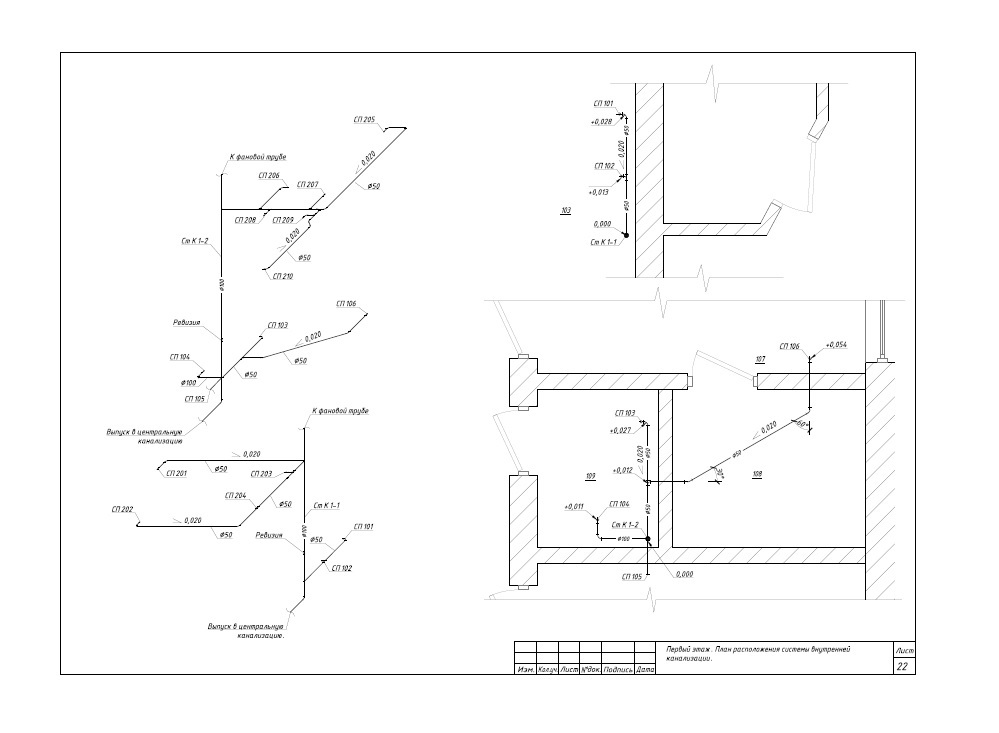
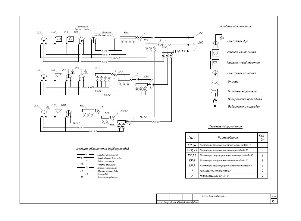
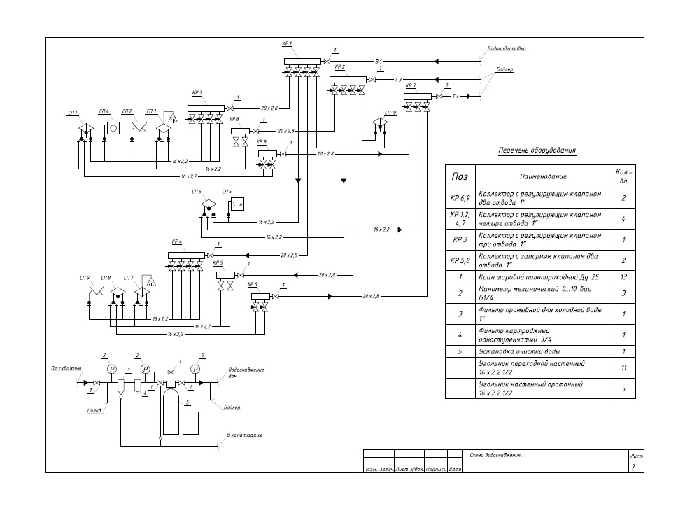
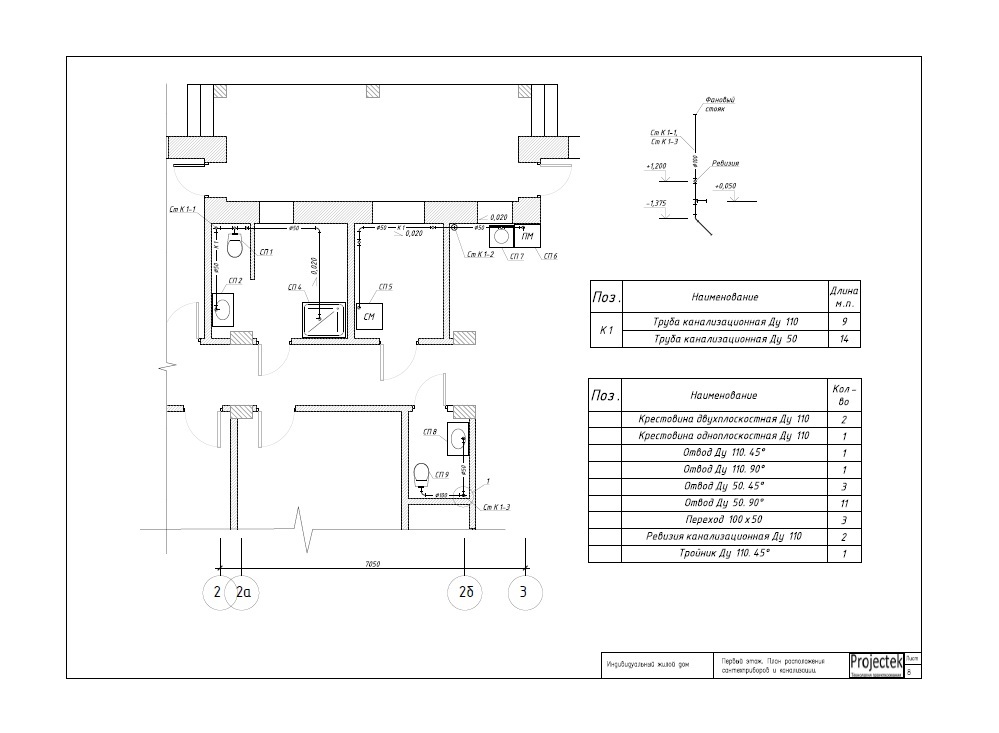
Размещение на архитектурных чертежах сантехнических приборов и оборудования. Разработка аксонометрической схемы канализации с расчетом высотных отметок в зависимости от уклона трубопровода. Схема обвязки бойлера ГВС, водоподготовки и насосного оборудования. Размещение на плане участка скважины, септика, трубопроводов и кабельных трасс.
Проект водоснабжения и канализации
Заказать проектирование
- +7 985 410-19-46
- proekt1946@yandex.ru
- Прием заявок и консультации в Telegram












