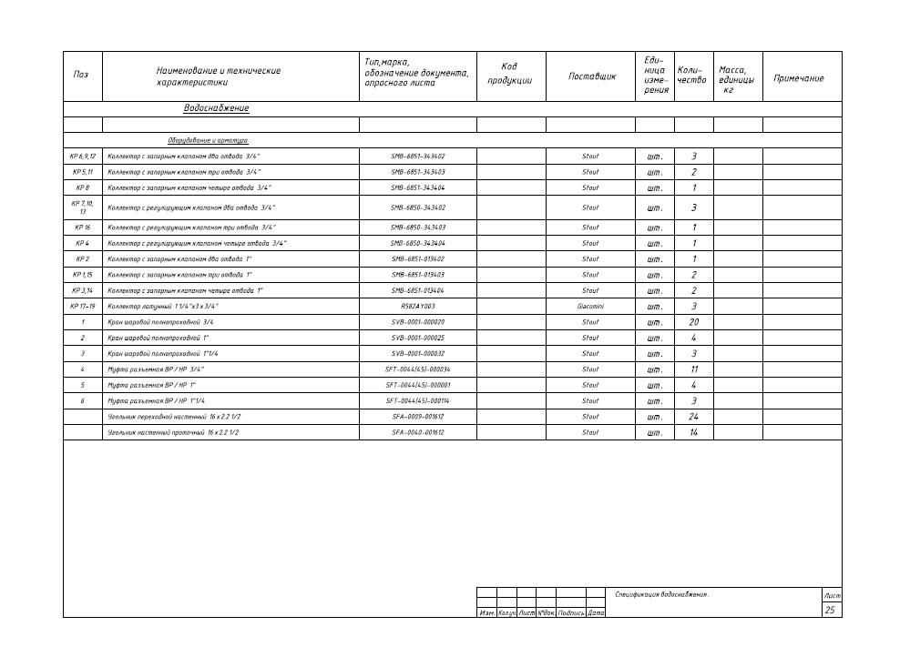
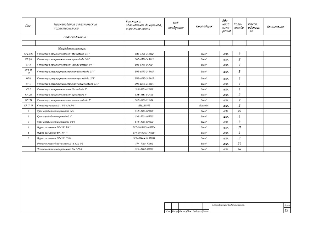
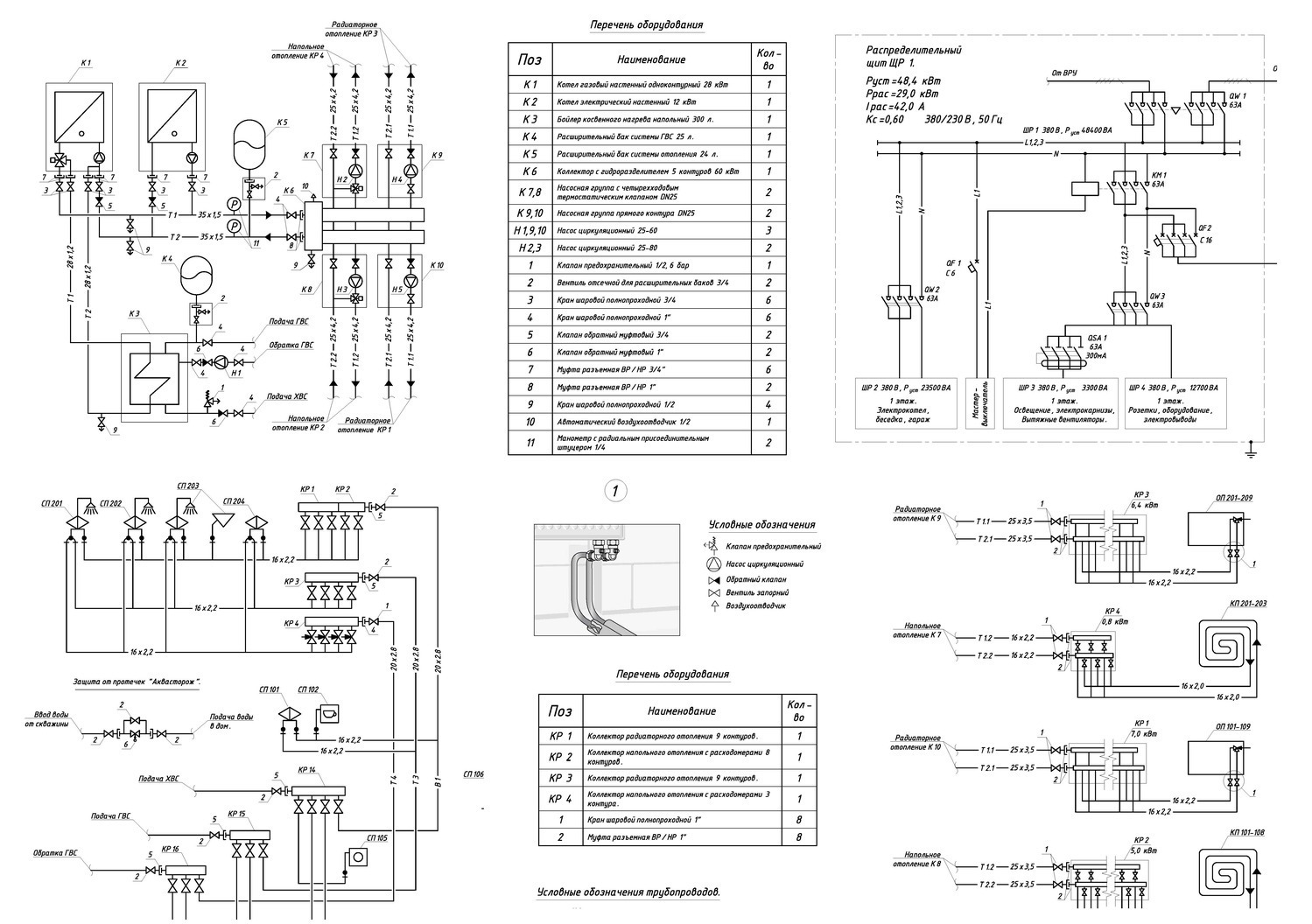
Скачать пример спецификации оборудования
Заказать проектирование
- +7 985 410-19-46
- proekt1946@yandex.ru
- Прием заявок и консультации в Telegram










